Avrupa Tipi Bağlantı Kilidi GRADE80
Güvenlift Grade 80 Avrupa tipi bağlantı kilitleri, yük zincirlerini kanca, halka veya mapa gibi kaldırma aparatlarına güvenle bağlamak için geliştirilmiş, yüksek mukavemetli bir birleştirme elemanıdır. Zincir sapan kombinasyonlarının en kritik parçalarından biri olan bu kilitler, sağlam çelik yapısıyla en ağır operasyonlarda üstün güvenlik sağlar.

Başlıklar
ToggleKurulum ve Güvenlik Bilgisi
Avrupa tipi ek kilitlerin montajı, özel bir şişme pim mekanizması ile gerçekleştirilir. Birleşimi sağlamak için pimin çekiç veya benzeri sert bir cisimle yuvasına çakılması yeterlidir.
Önemli Uyarı: * Bu kilitler, güvenlik standartları gereği demonte edildikten (söküldükten) sonra tekrar kullanılmamalıdır. * Her zincir ölçüsü (kalınlığı) farklı bir ek kilit ebadı gerektirir. Sipariş vermeden önce zincir ölçünüzle uyumunu mutlaka kontrol ediniz.
Öne Çıkan Özellikler
-
Grade 80 Standartlarında Güç: Yüksek mukavemetli alaşımlı çelikten üretilmiştir, zorlu endüstriyel koşullara karşı tam dayanıklıdır.
-
Avrupa Tipi Tasarım: Estetik ve fonksiyonel tasarımıyla sapan sistemlerine hızlı ve hatasız entegrasyon sağlar.
-
Yüksek Korozyon Direnci: Özel boya veya kaplaması sayesinde paslanmaya karşı yüksek koruma sunar.
-
Güvenli Kilitlenme: Şişme pim sistemi, operasyon esnasında bağlantının kendiliğinden açılma riskini ortadan kaldırır.
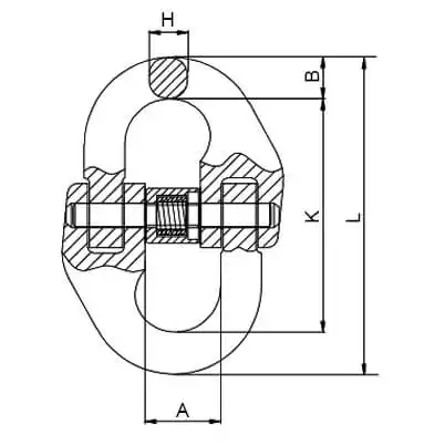
Teknik Detaylar
| Özellik | Açıklama |
| Malzeme | Yüksek Mukavemetli G80 Alaşımlı Çelik |
| Bağlantı Tipi | Avrupa Tipi Şişme Pimli |
| Montaj Şekli | Çakma Pim Mekanizması |
| Kullanım Yeri | Zincir Sapan ve Kaldırma Aparatları Birleşimi |
| Standartlar | Uluslararası G80 Kaldırma Standartlarına Uygun |
Kullanım Alanları
-
Endüstriyel Kaldırma: Fabrikalarda ağır iş makinelerinin ve ekipmanlarının güvenli sapanlanması.
-
İnşaat Sektörü: Prefabrik yapı elemanlarının, demir donatıların ve ağır malzemelerin taşınması.
-
Madencilik: Yeraltı ve yerüstü maden sahalarında ağır ekipman transferi.
-
Denizcilik ve Limanlar: Gemi yüklemeleri, liman sahası operasyonları ve konteyner yönetimi.
-
Lojistik: Ağır tonajlı yüklerin depolama ve sevkiyat süreçlerinde güvenli bağlantı noktaları.
Neden Güvenlift Avrupa Tipi Bağlantı Kilitlerini Seçmelisiniz?
Güvenlift olarak sunduğumuz bağlantı kilitleri, iş sağlığı ve güvenliği (İSG) kurallarına tam uyum sağlar. Sertifikalı ve dayanıklı yapısı ile projelerinizde iş kazası riskini azaltır, operasyonel verimliliği artırır.
Sipariş Notu: Zincir ölçünüze en uygun bağlantı kilidini seçmek veya teknik detay sormak için uzman ekibimizle iletişime geçebilirsiniz.
